FEVZİÇAKMAK MAHALLESİ 10659 SOKAK NO:20 KARATAY/KONYA
dil-LANGUAGE
FEVZİÇAKMAK MAHALLESİ 10659 SOKAK NO:20 KARATAY/KONYA
dil-LANGUAGE

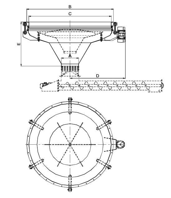
KULLANIM AMACI Serbest akışlı durgun dökme un,kepek ve benzeri mamullerin, çelik, plastik, beton silo ve depolardan düzgün bir akışla boşaltılmasında kullanılır..
KULLANIM ALANI • Gıda sanayinde;un ve irmik fabrikalarında,makarna fabrikalarında,yem fabrikalarında, • Diğer benzeri sanayi tesislerinde. ,
ÖZELLİKLERİ VE AVANTAJLARI • Basit ve ucuz silo tasarımı,düşük güç tüketimi • Dayanıklılık ve uzun ömür, • Karışımın dağılmasını önleyen homojen akışlı boşaltma, • Silo ürünle tam doluyken, mekanik parçalara dışarıdan kolayca ulaşabilme imkanı • Minimum yükseklik,sessiz çalışma..